工作時間 周一至周六 8:00-17:00
ZZ-S-21分閘、合閘、電源監視綜合控制裝置可連續監視斷路器中的直流電源及整個跳閘回路。當直流電源消失、跳閘線圈及引線發生故障,繼電器經0.3秒延時返回并通過它的觸點發出報警信號。
ZZ-S-21系列分閘、合閘、電源監視綜合控制裝置簡介
ZZ-S-21系列分閘、合閘、電源監視綜合控制裝置用于直流或交流操作的各種自動控制線路中,可以直接控制分閘、合閘回路,監視控制電源,并方使調節合閘延時,電源監視斷電延時。
ZZ-S-21分閘、合閘、電源監視綜合控制裝置型號含義



ZZ-S-21分閘、合閘、電源監視綜合控制裝置特點
ZZ-S-21是替代合閘繼電器,分閘繼電器,電源監視繼電器的綜合控制裝置,具有下列特點:
a)體積小,功能強,非常適合安裝與小型抽屜柜,和其它需要使用繼電器的場所;
b)出口控制中間采用進口高性能密封繼電器,防潮、防塵、不斷線、可靠性高,而且有電源指示及動作指示,電氣壽命長,機械壽命長。
ZZ-S-21分閘、合閘、電源監視綜合控制裝置技術條件
四、技術條件
4.1 環境口基準條件
環境溫度:20°C±2°C 相對濕度:45%-75%
大氣壓力:80Kpa-106Kpa 存儲相與運輸過程中的極限溫度:-25℃~+75℃
使用地點的海拔高度:不高于2500米.
使用環境的周圍介質無爆炸危險品;不含有腐蝕性氣體;所含導電塵埃的濃度不應使絕緣水平降低到允許值以下.
4.2 使用條件
環境溫度: -10°C~+50℃,24h內平均溫度不超過35℃.
大氣壓力:80Kpa-106Kpa
相對濕度:最濕月的月平均最大相對濕度為90%,同時該月的月平均最低溫度為25℃,且表面無凝露。最高溫度為40℃時,平均最大相對濕度不超過50%.
4.3 繼電器額定值 額定電壓值:24V、48V、110V、 220V AC DC
4.4 出口中間觸點容量:接通DC220V 10A,斷開DC220V τ=5mS 50W.
4.5 出口中間動作延時:不大于15mS.
出口中間返回延時:分閘回路不大于70% ,交流不大于75%。
出口中間動作電壓:直流不大于70% ,交流不大于75%。
出口中間返回電壓不小于20%。
4.6 功耗 最大功耗不大于10W, 一個回路工作時,額定電壓下功率不大于5W。
4.7 絕緣電阻 用1000V揺表測量各引出端子對外殼鎖緊螺釘之間絕緣電阻不小于1MΩ。
4.8 絕緣耐壓 各引出端子外殼鎖緊螺釘能承受工頻2000V,同組觸點之間能承受工頻1000V,歷時一分鐘無擊穿。
4.9 電壽命 DC220V,切斷電流τ=5mS, 20W, 104次以上。
4.10機械壽命 觸點無負荷300萬次以上
ZZ-S-21分閘、合閘、電源監視綜合控制裝置內部接線及外引接線圖


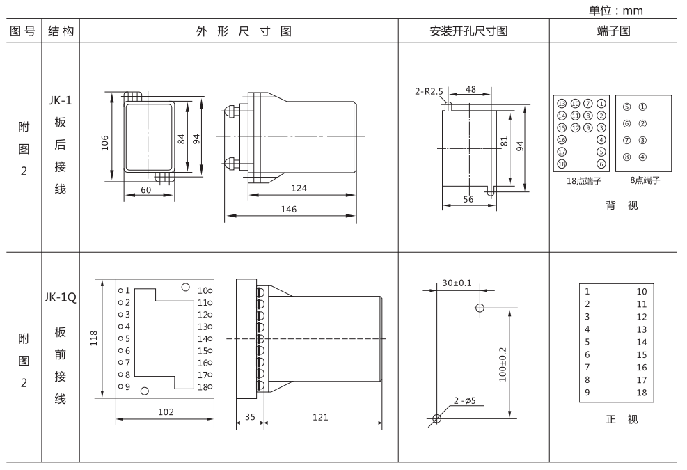
ZZ-S-21分閘、合閘、電源監視綜合控制裝置外形尺寸及開孔尺寸


礦山冶金
化工、化肥、水泥、紡織
能源、環保
機械電子
火電、水電
造紙、制糖、制藥
市政基礎建設
原料、鋼鐵

